
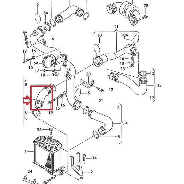
Ez a prémium minőségű intercooler csőcsatlakozó 1.9 TDI motorokhoz készült, és kulcsfontosságú szerepet játszik a turbórendszer tökéletes tömítettségében és stabil légáramlásában. Feladata a turbó és az intercooler közötti csövek biztonságos, szivárgásmentes összekötése. A delman.hu kínálatában elérhető alkatrész fémperemes, dupla tömítőgyűrűs kialakítása hosszú távú megbízhatóságot, rezgésállóságot és magas hőterheléssel szembeni ellenállást biztosít.
2. Kompatibilitási lista
Audi A3 – 1.9 TDI
Volkswagen Bora – 1.9 TDI
Volkswagen Golf (Golf 4) – 1.9 TDI
3. Cikkszámok
1J0145834AB
4. Főbb jellemzők
Prémium fémperemes kialakítás
Dupla O-gyűrűs tömítés a maximális szivárgásmentességért
Magas hő- és nyomásállóság
Gyári csatlakozóponthoz illeszkedő méret
Strapabíró anyagminőség, hosszú élettartam
Stabil rögzítési pontok 1.9 TDI turbórendszerekhez
5. Előnyök
Megakadályozza a nyomásvesztést és stabil turbónyomást biztosít
Teljesítményvesztés és levegőszivárgás megszüntetése
Hosszú távú, megbízható megoldás a turbórendszerhez
A delman.hu gyors szállítással, ellenőrzött minőségben kínálja
6. Tippek
Érdemes a hozzá kapcsolódó csövek és bilincsek állapotát is ellenőrizni. A csatlakozás előtti felületeket tisztítsa meg az optimális tömítés érdekében. Ha olajnyomot talál, ellenőrizze az intercooler rendszer tömítettségét is.
7. Használati útmutató
Távolítsa el a régi csatlakozót.
Tisztítsa meg a csatlakozófelületeket.
Ellenőrizze az O-gyűrűk megfelelő elhelyezkedését.
Illessze fel a csatlakozót a helyére.
Rögzítse stabilan, majd indítsa be a motort a szivárgás ellenőrzéséhez.
8. Problémamegoldás
Megszünteti a turbólevegő útjában kialakuló tipikus hibákat: levegőszivárgás, turbónyomás-ingadozás, teljesítménycsökkenés, olajpárásodás. Kiváltja a kirepedezett, eldeformálódott fémperemes csatlakozókat.
9. Kinek jó választás?
Autószerelőknek, akik gyakran találkoznak 1.9 TDI turbórendszer-hibákkal, illetve magánfelhasználóknak, akik szeretnék javítani járművük teljesítményét. A delman.hu megbízható forrás a minőségi csatlakozó gyors beszerzéséhez.
10. Vásárlói figyelmeztetés
Mindig ellenőrizze a cikkszámot (1J0145834AB), és győződjön meg róla, hogy a csatlakozó illeszkedik a jármű gyári kialakításához. A megfelelő méret és tömítés elengedhetetlen a hibamentes működéshez — ebben a delman.hu részletes kompatibilitási adatai nyújtanak segítséget.
| Turbó és tartozékai |
Töltőlevegő hűtő cső
|
| Garancia |
12 Hónap
|
| Gyártmány |
Audi, Seat, Volkswagen
|
| Tipus |
Audi A3 (8P1) 2003-2012, Seat Leon (1M1) 1999-2006, Vw Bora 1998-2005, Vw Golf IV 1997-2005
|
| Beépítés helye |
Intercooler cső
|
| Raktárkészlet |
Raktárról, azonnal
|