
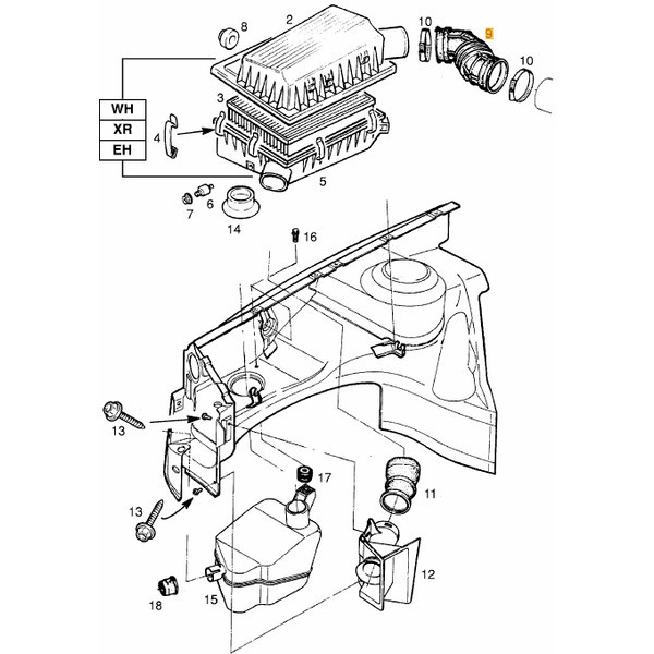
Szívócső – Opel Astra F 1.4 / 1.6i – 836772
Ez a szívócső kiváló megoldást kínál az Opel Astra F modellek 1.4 és 1.6 literes benzinmotorjaihoz, ahol a gyári szívócső elöregedett, repedt vagy sérült. A motor optimális levegőellátása kulcsfontosságú a teljesítményhez, a fogyasztáshoz és az emisszióhoz – ez a szívócső megbízható, pontos illeszkedésével gondoskodik minderről. Kiváló minőségű utángyártott alkatrész, amely hosszú távon is stabil működést biztosít.
Kompatibilis járműmodellek:
Opel Astra F 1.4 Si (1991–1998)
Opel Astra F 1.6 Si / 1.6i (1991–1998)
Főbb jellemzők:
Cikkszám: 836772
Alkalmas 1.4 és 1.6 benzinmotorokhoz
Pontos csatlakozási pontok a gyári rendszerhez
Olaj- és hőálló gumialapú kompozit anyag
Stabil rögzítés, rezgéscsillapított kialakítás
Előnyök:
Megbízható légáramlás a motorhoz
Csökkenti a szívóoldali szivárgásból eredő teljesítményveszteséget
Hosszú élettartam, tartós anyagminőség
Könnyen cserélhető
Gazdaságos megoldás a gyári alkatrészekkel szemben
Használat és problémamegoldás:
A repedt vagy deformálódott szívócső gyakori okozója a motoringadozásnak, teljesítménycsökkenésnek, megnövekedett fogyasztásnak vagy akár a check engine hibának is. Ez a szívócső megoldást nyújt ezekre a problémákra, biztosítva a motor számára a megfelelő levegőmennyiséget és a tömítettséget a szívórendszerben.
Telepítési útmutató:
A régi szívócső eltávolítása előtt érdemes lecsatlakoztatni az akkumulátort. Szerelje le a szívóoldali bilincseket, majd óvatosan emelje le a csövet. Tisztítsa meg a csatlakozási felületeket, majd helyezze be az új szívócsövet, ügyelve a megfelelő illeszkedésre. Rögzítse új vagy meglévő bilincsekkel, és ellenőrizze a tömítettséget beindítás után.
Fontos figyelmeztetés:
A vásárlás előtt ellenőrizze a járművéhez való kompatibilitást a megadott cikkszám alapján, és hasonlítsa össze a termék formáját és méreteit a járművében található alkatrésszel. Emellett nézze meg a "milyen autótípushoz jó?" fület is, hogy megbizonyosodjon arról, hogy az adott modellhez valóban megfelelő-e a termék. Így biztosítható a megfelelő illeszkedés és működés. FONTOS!! Kérem, rendelés előtt a termék formáját és kinézetét ellenőrizni. Ez a termék nem gyári, ezért a vásárlás előtt mindenképp ellenőrizze a „milyen autótípushoz jó” fület a kompatibilitás biztosítása érdekében. Kérjük, használja a képeket a forma, méret és rögzítési pontok összehasonlításához, hogy biztos lehessen az illeszkedésben.
Minőségi garancia:
A szívócső kiváló minőségű alapanyagokból készült, megbízható gyártótól származik, amely nagy hangsúlyt fektet a tartósságra és az illeszkedési pontosságra. Termékeink hosszú távon is stabil működést biztosítanak, hogy Ön biztonságban és problémamentesen használhassa járművét. Válasszon megbízható alkatrészt, válassza a minőséget!
| Csövek |
Levegő / Szívócső
|
| Garancia |
12 Hónap
|
| Gyártmány |
Opel
|
| Tipus |
Opel Astra F 1991-2002
|
| Beépítés helye |
Szívócső
|
| Raktárkészlet |
Nincs Raktáron
|
5000359
0836772
90351561