
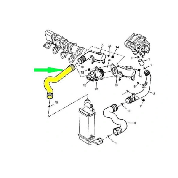
A delman.hu kínálatában elérhető prémium intercooler cső a Peugeot 406 2.0 HDi dízelmotorjához készült. Feladata a turbófeltöltőből érkező levegő továbbítása az intercooler felé, biztosítva a megfelelő töltőnyomást és a motor optimális teljesítményét. A régi vagy repedt turbócsövek a HDi motoroknál gyakran okoznak teljesítményvesztést és hibakódokat, ezért ennek a prémium csőnek a cseréje jelentős javulást hozhat.
Kompatibilitási lista
• Peugeot 406 2.0 HDi – 1999–2004
Cikkszámok
• 0382.N5
Főbb jellemzők
• Prémium minőségű hő- és nyomásálló gumianyag
• Formázott, ívelt gyári kialakításhoz igazodó csőgeometria
• Repedés-, hő- és olajpáraálló felület
• Stabil csatlakozóvégek biztos illeszkedéssel
• Rugalmas, mégis erősített csőfal
• Tartós szerkezet nagy terhelésű dízelmotorokhoz
Előnyök
• Megszünteti a töltőnyomás-veszteséget és a teljesítményromlást
• Javítja a gyorsulást és a motor reakcióját
• Csökkenti a turbó késlekedést és a füstölést
• Hosszú élettartamú prémium megoldás
• Megbízható választás szerelők és delman.hu vásárlók számára
Tippek
• Mindig ellenőrizze a cső teljes hosszát repedések és olajfoltok után
• A csere során érdemes új bilincseket is használni
• Indítás után vizsgálja át a csatlakozási pontokat, nincs-e levegőszivárgás
• Ha a cső külső felületén olajnyom van, vizsgálja át a turbó tömítettségét is
Használati útmutató
Lazítsa meg a régi cső bilincseit
Távolítsa el a régi csövet
Tisztítsa meg a csatlakozófelületeket
Illessze be az új prémium intercooler csövet
Húzza meg a bilincseket megfelelően
Indítsa be a motort, ellenőrizze a tömítettséget
Problémamegoldás
Megszünteti a nyomásvesztést, rángatást, gyenge gyorsulást és a hibás levegőellátás miatt jelentkező füstölést. Stabil turbórendszert és egyenletes motorüzemet biztosít.
Kinek jó választás
• Szerelőknek, akik Peugeot 406 HDi javításával foglalkoznak
• Tulajdonosoknak, akik szeretnék visszanyerni motorjuk eredeti teljesítményét
• Flottaüzemeltetőknek, akik 2.0 HDi modelleket használnak
• Magánfelhasználóknak, akik prémium minőséget keresnek a delman.hu kínálatában
Vásárlói figyelmeztetés
Mindig ellenőrizze a cikkszámot (0382.N5) és az autó pontos motorváltozatát. A hibás csőválasztás töltőnyomás-vesztést és teljesítményromlást okozhat.
| Turbó és tartozékai |
Töltőlevegő hűtő cső
|
| Garancia |
12 Hónap
|
| Gyártmány |
Citroen, Peugeot
|
| Tipus |
Citroen C5, Peugeot 406
|
| Beépítés helye |
Intercooler cső
|
| Raktárkészlet |
Nincs Raktáron
|